OA
电子样册

XBD-L型立式单级消防泵组

XBD-L型电动机消防泵组(立式单级消防泵组)系列是我公司根据新的消防泵标准及消防产品的强制性认证要求而设计开发的新一代管道式消防泵组,其性能、技术条件符合国家标准GB6245《消防泵》要求。

返回列表

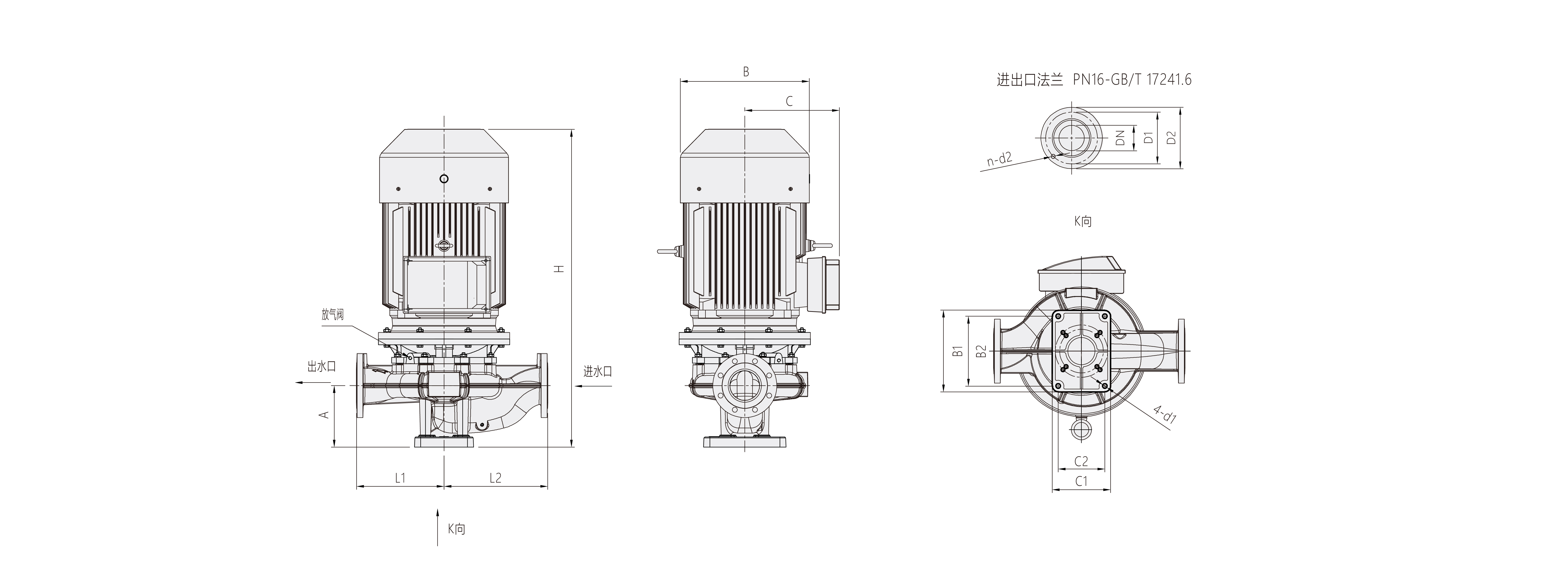
详细介绍性能参数安装结构图安装尺寸图

产品特点

· 泵体电机直连式,结构紧凑;泵体设置加强筋,外形美观。
· 采用CFD水力模型优化设计,通过模型优化设计及泵动态特征分析方法,有效提高了泵效率,扩宽了泵的运行范围。铸件采用树脂砂造型,过流部件的模具采用数控成型,保证了部件的尺寸精度及表面的光洁度。
· 采用FEM优化设计产品主要结构件,复核零件的结构设计合理性及抗载荷要求。
· 选用效能高的三相异步电动机,效率指标符合国家标准GB 18613《中小型三相异步电动机能效限定值及能效等级》的能效标准绝缘等级F级。

工作条件及性能参数范围

· 流量范围:5-100L/S
· 电机级数:2级/4级
· 介质温度:≤80°度
· 进出口直径:25mm-300mm
· 允许进口压力:0.4Mpa
· 压力范围:0.31-2.0MPa
· 进出口法兰压力等级:1.6Mpa
若用户有特殊要求,需要在订货时说明,根据用户特殊要求进行生产

产品用途

· 可应用于工业、民用建筑物消防系统(消防栓灭火系统、自动喷淋系统)的供水。